Образец шлака с археологического памятника XI века в Иране содержит хром. Это говорит о том, что древние персы производили сталь еще девять столетий тому назад.
Хром — обычная добавка к сплавам для изготовления таких материалов, как нержавеющая сталь. Долгое время считалось, что он был изобретен в конце 19-го и начале 20-го веков. Но теперь археологи обнаружили, что древние персы добавляли хром в свою сталь еще в 11 веке — почти тысячу лет назад.
Возглавляемая Рахилом Алипуром из Университетского колледжа Лондона (UCL) команда изучила несколько средневековых персидских рукописей и определила археологический памятник под названием Чахак на юге Ирана, как место древнего производства стали.
Их внимание особенно привлекла одна рукопись под названием «Аль-Джамахир фи Марифа аль-Джавахир», что переводится как «Компендиум для познания драгоценных камней». Она была написана в 10 или 11 веке н.э. мыслителем Абу-Райханом Бируни. Важно отметить, что компендиум содержал единственный известный рецепт ковки стали в высокотемпературных тиглях. Проблема в том, что следовать рецепту тысячелетней давности довольно сложно.
«Процесс идентификации может быть довольно долгим и сложным, и это происходит по нескольким причинам», — говорит автор исследования Маркос Мартинон-Торрес. «Во-первых используемые для записи технологических процессов или материалов язык и термины могут больше не использоваться, или их значение и атрибуция могут отличаться от тех, которые используются в современной науке. Кроме того, письмо было ограничено социальными элитами, а не человеком, который фактически выполнял свое ремесло, что могло привести к ошибкам или упущениям в тексте ».
Один ингредиент под названием «русахтай» и вовсе озадачил археологов. В конце концов, они определили это как рудный минерал хромит, который можно использовать для изготовления хромовой тигельной стали. Важно отметить, что это было подтверждено обнаружением следов хромита и хрома в артефактах со стоянки Чахак.
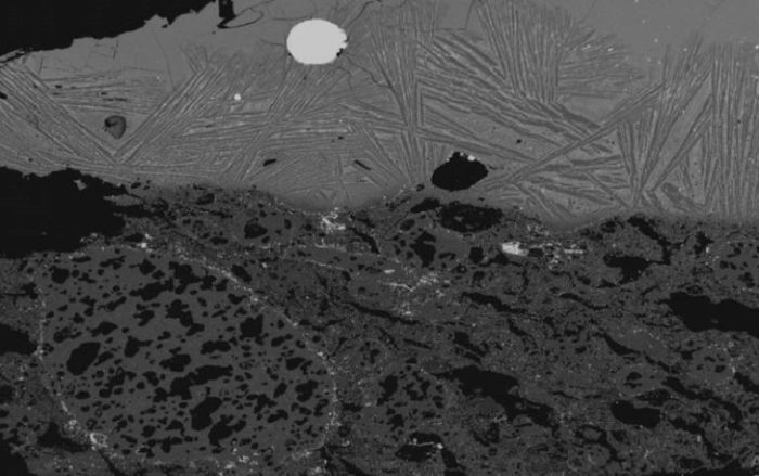
Используя радиоуглеродное датирование нескольких кусков древесного угля из тигля, и кузнечного шлака с этого места, команда датировала эти материалы периодом между 11 и 12 веками. Электронный микроскоп также показал следы хромита, а в шлаке тигля они обнаружили стальные частицы, содержащие от одного до двух процентов хрома.
Это намного меньше хрома, чем в современной нержавеющей стали, где содержание может достигать 11-13 процентов, но факт содержания хрома в чем-то столь древнем имеет большое значение.
«Наше исследование является первым доказательством преднамеренного добавления минерала хрома в производство стали», — говорит Алипур. «Мы считаем, что это персидский феномен. Это исследование не только предоставляет самые ранние известные доказательства производства хромистой стали еще в 11 веке н.э., но также предоставляет химический индикатор, который может помочь идентифицировать артефакты из тигельной стали в музеях или археологических коллекциях до их происхождения в Чахаке».
Команда говорит, что рукописи того времени хвалили сталь Чахак за ее замысловатые узоры, но указывали, что мечи, сделанные из этого материала, были довольно хрупкими. Согласно исследованию, это соответствует высокому содержанию фосфора.





