Приготовление мяса требует внимания, а когда в теплой дружеской компании забываешь контролировать этот процесс, то потом приходится грызть угли. Приходится периодически переворачивать мясо на шампурах и, в зависимости от конструкции шампуров, бывает трудно обеспечить равномерную прожарку мяса.
В темное время суток необходимо применять фонарик для оценки готовности мяса, для подсветки стола. Конечно же, встречи не проходят без любимой музыки. Периодически забывается либо фонарик, либо плеер, либо еще что-то нужное. Чем дольше встреча, тем больше поднимается настроение и хочется сделать музыку погромче. Но ресурса аккумулятора плеера не хватает и он разряжаются лишая музыкального сопровождения.

И вот в один из таких вечером, наблюдая за неудобствами при каждой встрече с друзьями, вдруг родилась идея устройства, сочетающего в себе много функций, так сказать «Швейцарский нож» для приготовления мяса и приятных встреч с друзьями.
Идея родилась, а дальше, как обычно бывает, меня понесло придумывать новые функции этого нового устройства. Опыт создания «Алкомата» подстегивал на новые свершения. Так сказать чтобы можно было чем закусить. Итого имеем аппарат «E-Mangal».
— Вращает шампуры, тем самым равномерно прожаривает мясо;
— Имеет музыкальный плеер с записанными любимыми музыкальными композициями. Выбор можно делать по жанрам: военная, советская, мировой рок, наша подборка, космос, застольная. Встроенный усилитель мощностью 3 Вт;
— Имеет FM-приемник с возможностью установить внешнюю USB-flash или SD-карту;
— Имеет Bluetooth модуль для воспроизведения музыки с внешних устройств, например смартфонов;
— Цветомузыка;
— Выносные фонари подсветки мангала и стола;
— Внешний вентилятор для поддува углей;
— Функции зарядки внешних устройств, например смартфонов или плееров. Одновременно можно заряжать два устройства через обычный переходник USB-microUSB;
— В составе E-Mangal есть емкость с водой на 0,5 литра для тушения всполохов огня;
— Датчик температуры углей в мангале;
— Встроенное сетевое зарядное устройство аккумуляторов;
— Wi-Fi модуль для управления E-mangal со смартфона;
— Часы реального времени.
Собирается мангал, насыпаются угли и разжигаются.
После подачи питания на устройство происходит тест механики. Геркон на одной из шестеренок служит для определения факта вращения колес. После этого шестерни устанавливаются в стартовое положения и подается сигнал о готовности оборудования. В случае заклинивания хода шестеренок процесс останавливается и выдается сообщение об аварии.
С помощью кнопок меню можно осуществлять управление всеми функциями E-Mangal. Кнопки на верхней панели служат для оперативного управления Стартом/Паузой процесса жарки, для выбора режима работы подсветки, для включения насоса тушения пламени и для режима Пауза/Воспроизведение внутреннего плеера.
После того как угли достигли необходимой кондиции, устанавливаются шампуры с насаженным мясом. Плоский конец шампура помещается в плоское отверстие держателя.
После установки всех шампуров можно запускать процесс жарки. Это можно сделать как оперативной красной кнопкой на верхней панели, так и из системного меню или через web-страничку устройства со смартфона. За счет применения дополнительной металлической панели с отверстиями, одеваемой на мангал, шампуры вращаются параллельно и на касаются стенок мангала.
После запуска процесса жарки на большом семисегментном индикаторе можно видеть обратный отсчет времени до готовности мяса. Попеременно это время сменяет текущая температура внутри мангала. Если появляется огонь, то направляем сопло на огонь и нажимаем на синюю кнопку на верхней панели E-Mangal. Включается насос и струя воды гасит пламя.
Среднестатистически процесс жарки до готовности мяса занимает около 30 минут. За 5 минут до окончания этого времени информатор E-Mangal извещает о готовности мяса фразой «Кушать подано! Садитесь жрать, пожалуйста!». Далее необходимо оценить степень готовности и, в случае необходимости, дожарить еще некоторое время. Если мясо готово, то красной кнопкой на верхней панели приостанавливаем процесс вращения или отключаем режим жарки через систему меню.
Независимо от режима жарки, можно пользоваться всеми другими функциями устройства. Для подсветки мангала с мясом можно установить внешний светильник в USB-разъем на верхней панели и включить светильник желтой кнопкой или с WEB-страницы. Если есть необходимость в подсветке стола или пространства около мангала, то можно установить еще один фонарь в другой разъем на верхней панели. Также можно освещать зону вокруг E-Mangal и без использования внешних фонарей. Достаточно внутреннюю подсветку перевести в режим белого света. В случае, когда в процессе жарки необходимо дополнительно раздуть угли, то можно установить в USB-разъем верхней панели внешний вентилятор и направить его в сторону мангала.
Внутренний музыкальный плеер содержит заранее подготовленные любимые музыкальные композиции разных тематик и жанров. Выбор осуществляется из системы меню или через WEB-страничку.
Внешний плеер позволяет воспроизводить музыку со сменных носителей и посредством Bluetooth. Также можно подключить внешнее устройство через линейный вход.
В случае плохого приема в режиме FM-приемника необходимо выдвинуть телескопическую антенну.
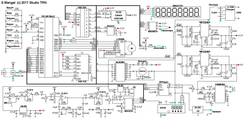
Схемотехника
— Всеми процессами управляет PIC18F26k22.
— Для внутреннего плеера использовал DFPlayer mini. Он управляется командами через COM-порт. Не очень им доволен, но зато маленький и простой. И для конкретного применения в E-Mangal более чем достаточно.
— OLED дисплей на SSD1306 версия i2c. На экран целиком передается кадр изображения, формируемый в ОЗУ PIC-контроллера.
— Wi-Fi модуль ESP-12E. Про него много сказано. На нем крутится своя программа WEB-сервер, содержится WEB-страничка. Обмен данными осуществляется по COM-порту. У примененного PIC-контроллера имеется два независимых последовательных порта.
— Часы реального времени на основе DS3231. Управляются по i2c. Очень нравится данная микросхема точностью хода и отсутствием внешних элементов.
— Семисегментный индикатор на основе MAX7219. Неплохой, но очень чувствителен к помехам. Приходится периодически проводить инициализацию дисплея, чтобы не потерять безвозвратно информацию на дисплее и дополнительно вешать на него блокировочные конденсаторы.
— Панель внешнего плеера это китайская разработка. Для управления панелью из системы меню подключился параллельно ИК-приемнику панели. На центральном PIC-контроллере генерирую протокол посылки и панель думает что команды пришли от ее родного пульта.
— Усилитель мощности цифровой на PAM8403. Аудиосигнал от внутреннего и внешнего плееров микшируется и подается на усилитель мощности. При необходимости заглушить какой-либо канал просто отдается команда MUTE соответствующему модулю.
— Для цветомузыки применены «умные» светодиоды WS2812b. Подпрограмма обслуживания протокола этих светодиодов написана на ассемблере и рассчитана по тактам рабочей частоты контроллера. При обращении к процедуре запрещаются все прерывания. В основе самой цветомузыки стоит микросхема MSGEQ7. Это 7-канальный анализатор спектра. Много крови выпила микросхема. Оказалось что половина микросхем что у меня были просто неисправны. И для тестов как раз попалась неисправная.
— Температура мангала измеряется термопарой и преобразуется в цифровой вид MAX6675. Изначально тестировал с более продвинутой MAX31855, но мне она тоже попалась неисправной.
— Так как в одном устройстве сочетаются много функций включая энергоемкое функции заряда внешних устройств, то необходимо было выбрать надежную систему питания. Для этого применил три аккумулятора на 10 А*ч. Аккумуляторы соединены последовательно, тем самым сама система питается от 12 вольт. Зарядка осуществляется через штатное сетевое зарядное устройство-балансир.
Устройство получилось размером 480x300x60. Размер мангала 400x250. В качестве мангала для шашлыка применен обычный одноразовый мангал и обычные плоские шампуры длиной 60 см.
Корпус был разработан в среде Компас-3D и вырезан с помощью лазерной резки из фанеры 10 мм. Лицевая панель также вырезана лазером из акрила 4 мм. Лицевая панель специально задумывалась прозрачной, чтобы видеть весь процесс работы.
Отдельные детали корпуса скреплены шурупами, покрыты ПВА. Сверху корпус покрашен аэрозольной краской.
Корпус имеет боковую крышку, которая закрывает отсек с кнопкой питания и штуцерами при транспортировке. Также оба штуцера шунтируются трубкой для исключения утечки воды.
Шестеренки также разработаны в Компасе и напечатаны по заказу на 3D-принтере. Двигатель, вращающий шестерни, это мотор-редуктор от заслонки отопителя ВАЗ 2110. Червячная пара дает большое усилие с малым током потребления, что как раз и надо для моих целей.
Ножки сделаны из строительной шпильки диаметром 6 мм. На концы навинчены гайки-заглушки и склеены эпоксидным составом. На шпильки натянул термоусадку. Ножки ввинчиваются в гайку-втулку для строительных шпилек. Гайки приварены к квадратной пластине под небольшим углом. Глубиной ввинчивания ножек добиваемся устойчивости конструкции.
Емкость для воды также была вырезана из акрила толщиной 2 мм с помощью лазерной резки и склеена смесью акриловых опилок с дихлорэтаном. Штуцеры по заказу выточены на токарном станке, смазаны герметиком и установлены в емкость. Насос изначально брал от чайника «термопот», но не устроила его производительность. В итоге применил другой, из Китая. Емкость имеет два штуцера: сливной/наливной и аварийный. Вода наливается через рабочую трубку.
Верхний штуцер аварийный, для слива воды с случае переполнения, а также для поступления воздуха.
В верхнюю панель корпуса ввинчивается шпилька-стойка, на которой закрепляется трубка, направленная соплом в сторону мангала.
В основном все детали брал в Китае, за исключением фанеры, акрила и алюминиевого уголка. Смешно и грустно.
Процесс отладки электроники
Некоторые кадры системы меню
WEB-страничка E-Mangal





