Наверное лет 20 лежала в гараже эта отвертка, аккумуляторы через месяца два эксплуатации сдохли )), не стали брать зарядку, на что я обиделся и закинул её на дальнюю полку в гараже.
Неделю назад попалась эта отвертка мне на глаза, зарядку уже не нашел. Разобрал, снял старые аккумуляторы.
Решил воткнуть туда новый литий-ионный аккумулятор, измерил свободное место под него, вроде войдет.
Заказал на Али с доставкой из России. Аккумулятор выбрал с лепестками для припайки проводов, и зарядное устройство для него, через пять дней забрал
К аккумулятору припаял провода, припаялись легко, где то читал что не паяются.
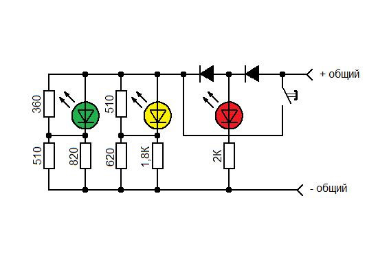
Теперь надо что то делать с индикацией разряда аккумулятора. Старые аккумуляторы выдавали 4,8 вольт, а этот максимум 4,2 вольта. Перерисовал схему на листок понял что мне надо делать, заменить резисторы.
Но я такие резисторы не смогу заменить своим советским 40-ка ватным паяльником. Было решено рассчитать и добавить параллельные резисторы. 
На месте резисторы не мешаются.
Теперь зеленый светодиод тухнет при посадке аккумулятора до 3,5 вольт (примерно 50% зарядки), желтый тухнет при 3-х вольтах, аккумулятор ниже разряжать нельзя. Индикация включается только при нажатии кнопки.
Собрал всё на место, вошло как родное.
Вот так показывает полный заряд.
Что бы разрядить аккумулятор на половину, пришлось около часа крутить саморезы (не просто так, собирал полки)
Помню старые аккумуляторы моментально садились. Они были на 700 mAh, а этот на 3500 мАh.
Может кому будет интересно, нарисовал схему индикации ту которая была до переделки.

И после переделки, плюсовые провода от аккумулятора и от зарядки нужно припаять в одну точку, по старой схеме не заряжает на 100% (диод срезает 0,4 вольта). 
Аккумулятор обошелся мне — 616 рублей, зарядка — 580. С доставкой из Китая конечно в разы дешевле, но очень уж не люблю ждать, бывает еще теряется товар.









