Вдохновившись статьей с сайта lan23.ru, об изготовлении WiFi облучателя для спутника, который можно использовать как самостоятельную антенну, решил это дело повторить.
Можно использовать такие размеры, которые использовал я, по размерам от Панченко Игоря. 10-12dB
Можно использовать то что предложил JoMy. 14-15dB
Либо использовать заводские размеры. 10-12dB
Я решил взять первый вариант, ибо второго, на момент создания антенны, еще небыло.
Рекомендую второй вариант.
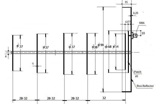
Размеры от Панченко:
Размеры (толщина материала не критична 0,5-2 мм. центральный штырь 3 мм. сталь):
1. Экран диаметр от 90 мм. Бортик на нем 15мм. Дает в плюс 2-3dB
2. Активный блин диаметр 68 мм. 11мм от экрана. Запитка 10 мм от края.
3. Первый директор диаметр 54 мм. Расстояние от активного 12 мм.
4. Второй директор диаметр 38 мм. Растояние от 1 директора 32мм.
5. Третий директор и последующие 37 мм. Расстояние между ними 28-32 мм. При 28 мм шире полоса антенны.
Отличия моего варианта:
Центральный штырь взял 4мм, ибо плашки для нарезки резьбы 3мм не нашлось.
Сажал блины не на пайку, а на гайки. Так показалось что практичнее.
Первый блин, экран, сделал 100мм.
Решил обойтись без бортика, ибо не из чего было его делать.
Расстояние между третьим директором и последующими выставил 28мм.
Ограбив работающих рядом сварщиков на пару электродов, облупив и зачистив наждачкой, приступил к нарезке резьбы на шпильки.
НЕ ДЕЛАЙТЕ ТАК НИКОГДА! Если нет шпильки с резьбой - пользуйтесь паяльником или горелкой и припоем с кислотой!
Пока я нарезал 45 см резьбы по электроду я задолбался как никто. Как выяснилось нарезка резьбы такой длинны - дело долгое и нудное, но отступать было уже поздно.
Изготовив шпильки, принялся расчерчивать найденый металл.
Был обнаружен корпус советского прибора из стали толщиной в 1мм. Так же найдена оцинковка в 0.5мм. Было решено использовать корпус. Металл не критичен. Медь или железо без разницы. Так же как и толщина металла. Главное чтоб держал форму.
Корпус наотрез отказался резаться ножницами. Сталь упорно сопротивлялась, качество оказалось на высоте. Пришлось разделывать его ножевкой.
Пока распиливал корпус и выпиливал из него заготовки, подумал что оцинковка тоже дело хорошее, и ножницами режется на ура. Но уже было поздно.
Если у вас антенна будет в корпусе, тогда можно и потоньше металл, который, без защиты от ворон, погнуться может.
На всех заготовках проставлены порядковые номера и диаметр, дабы не путаться.
После распила и подготовки пошла обработка.
На наждаке снимался металл не доходя до границы на 0,5-1мм. После высверливалось отверстие и далее шел следующий этап обработки.
Оставлялось такое расстояние для того, чтобы был запас. Ибо при рассверловке отверстий, даже на вертикально сверлильном станке, отверстия уходят на 0,5-0.7мм в сторону.
Запас при дальнейшей обработке позволяет убрать брак.
После высверловки отверстий, два-три блина зажимались в болт или шпильку и фиксировалось гайкой с гроверами.
После чего вставлялось все в дрель и излишек металла снимался об кусок наждака.
Окончательная доводка проходила на зажатом в тех же тисках напильнике.
Данный метод позволяет сделать практически идеальные круги, и убрать брак получившийся при рассверловке.
На фото примерно собранные антенны (размеры меж блинами пока точно не выставлены).
Для крайнего блина нашел изумительный кусок аллюминиевой пластины, толщиной в 3мм.
Такая толщина превосходно позволяет сделать потай винты, для удержания антенного гнезда и крепежа.
Слева блин после термического снятия краски, справа после зачистки и шлифовки.
Вымерено и просверлено отверстие под гнездо разъема. Просверлены и развальцованы крепежные отверстия для разъема и крепежа.
Винты и саморезы сели вровень с поверхностью блина.
С обратной стороны разъем закреплен гайками с гровер шайбами
Для крепления антенны на кронштейн или в зажим офсетной антенны, использовалась ПВХ труба, 40см диаметром. Длинна произвольная.
В трубе предварительно, тонким сверлом, проделываются отверстия и сама труба садится на тонкие саморезы длинной 20-40мм.
Сами саморезы так же скрытые и получились вровень с пластиной.
Далее припайка запитки.
Все садится на кусок шпильки, выставляется на нужное расстояние с помощью прокладок, и припаивается.
Все изделие в сборе:
Дабы защитить трубу от воды и не превратить её в жилище каких нибудь насекомусов, изготовил заглушку и приклеил её на место супер клеем.
Не найдя из чего сделать защитный кожух для антенн, решил ограничится покраской.
Обезжирив и как следует просушив феном, покрасил их водостойкой эмалью из баллончика в 3 слоя.
Плюс покраски еще в том, что краска дополнительно контрит гайки.
Вид изделий после покраски:
Антенна установленная на крыше.
Антенна установленная на отдаче, на балконе.
Внимание!
Мною была допущена грубейшая ошибка!
Было приобретено гнездо и разъем типа PL-259 не под надлежащую частоту. Такие гнезда и разъемы расчитаны на 300 мгц а не на 2400мгц как необходимо для Wi-Fi.
На Wi-Fi, а так же 3G нужны гнездо и разъем типа N-245 или N-Р245.
Благо они были одинаковых размеров и крепления совпадали.
Позаботьтесь заранее о покупке качественных и правильных разъемах и кабеле. Неправильно подобранные, они съедят кучу полезного сигнала, сведя на нет усиление самой правильной и красивой антенны.





