Если в вашем доме постоянно пропадает электричество, то вместе с ним исчезает и интернет. В то же время сигнал по сети подается, однако выключенный маршрутизатор его не обрабатывает. Сделав несложную доработку своего роутера, вы будете иметь WiFi, даже когда ваше здание обесточено.
Что потребуется:
- Аккумуляторы Li-ion 18650 – 3 шт. - http://alii.pub/5becfz
- диоды 5399 – 2 шт. - http://alii.pub/5m5na6
- реле 12 В
- штекер и разъем, как на блоке питания роутера.
Процесс установки бесперебойного питания на роутер
В качестве аварийного источника питания для роутера послужат 3 аккумулятора типа 18650. Выставляем их ровно, чередуя полярность, и соединяем изолентой.
Затем подключаем аккумуляторы последовательно, объединив тем самым их напряжение. Паяем провода просто на клеммы.
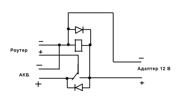
Далее нужно заняться узлом переключения между сетевым напряжением и аварийным. Для этого используется реле на 12В. К нему согласно схеме припаивается два диода.
Затем нужно припаять к реле штекер и разъем, как в штатном блоке питания от роутера. Также паяем собранный аккумуляторный блок.
Теперь подключаем блок питания от роутера к разъему на реле.
Штекер же от узла переключения нужно вставить в маршрутизатор. Таким образом, при отключении электричества, роутер будет автоматически переходить на резервное питание от батарей. 






